文章来源: 智力创电路板 发布时间:2022-05-09 阅读次数:1700
电源/地线处理
既使在整个PCB板中的布线完成得都很好,但由于电源、 地线的考虑不周到而引起的干扰,会使产品的性能下降. 布线时尽量加宽电源、地线宽度,最好是地线比电源线宽,它们的关系是:地线>电源线>信号线。对数字电路的PCB可用宽的地导线组成一个回路, 即构成一个地网来使用(模拟电路不能使用该方法)。用大面积敷铜层作地线用,在印制板上把没被用上的地方都与地相连接作为地线用。或是做成多层板,电源、地线各占用一层。
数字与模拟电路的共地处理
数字电路与模拟电路的共地处理: 数字电路与模拟电路共同存在时,布线需要考虑之间互相干扰问题,特别是地线上的噪音干扰。数字电路的频率高,模拟电路的敏感度强,对信号线来说,高频的信号线尽可能远离敏感的模拟电路器件,对地线来说,整个PCB对外连接界只有一个端口,所以必须在PCB内部进行处理数、模共地的问题,而在板内部数字地和模拟地实际上是分开的它们之间互不相连,只是在PCB与外界连接的端口处(如插头等), 数字地与模拟地有一点短接,请注意,只有一个连接点。
信号线分布层
信号线布在电源(地)层上: 在多层印制板布线时,由于在信号线层没有布完的线剩下已经不多,再多加层数就会造成浪费也会给生产增加一定的工作量,成本也相应增加了,为解决这个矛盾,可以考虑在电(地)层上进行布线。首先应考虑用电源层,其次才是地层。因为最好是保留地层的完整性。
信号流向设计
PCB布局设计时,应充分遵守沿信号流向直线放置的设计原则,尽量避免来回环绕。
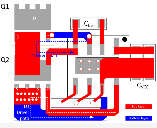
Layout设计建议
1. 驱动芯片与功率MOSFET摆放尽可能靠近;
2. VCC-GND(CVCC) / VB-VS(CBS)电容尽可能靠近芯片;
3. 芯片散热焊盘加一定数量过孔并且与GND相连接(增加散热、减小寄生电感);
4. GND布线直接与MOSFET 源极(source)相连接, 且避免与源极(source)-漏极(drain)间大电流路径相重合, VS 同理GND布线原则(避免功率回路与驱动回路重合);
5. HO/LO布线尽量宽(60mil-100mil,驱动电流比较高,降低寄生电感的影响);
6. LIN/HIN 逻辑输入端口尽量远离HS布线(避免过高的电压摆动干扰到输入信号)。

下一篇: PCB拼板